
Pezo 307 1.4HDI Set Za Reparaciju Rucnog Menjaca 01- NOVO
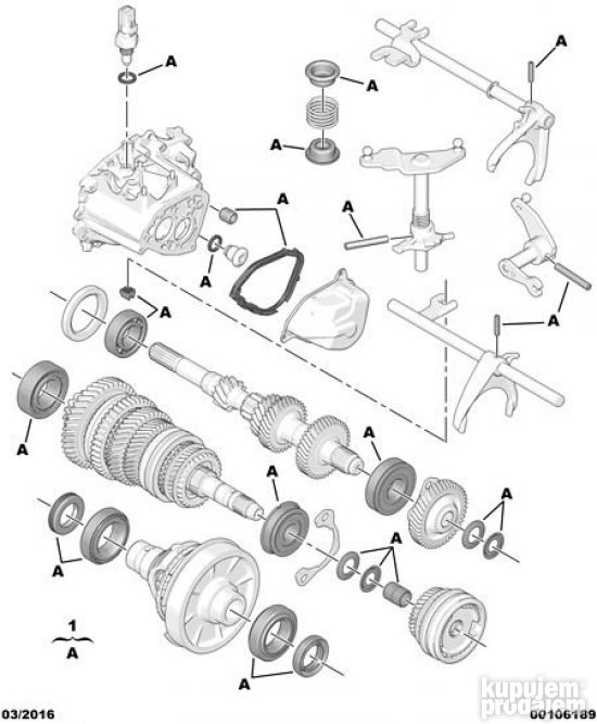
Delovi koji se nalaze u setu za reparaciju rucnog menjaca obelezeni su na slici pod slovom A!
O. E 2299.45
064/ 073-72-79!
064/17-55-654!
ivandimcic8@gmail. com
U skladu sa Pravilima i uslovima korišćenja i Polisom o poštovanju privatnosti, KupujemProdajem koristi Cookie-je da bi obezbedio dobro korisničko iskustvo, prikazivanje personalizovanog sadržaja, prikazivanje reklama, kao i druge funkcionalnosti i usluge koje ne bismo mogli da obezbedimo bez Cookie-ja.