


1 od 3
Kraj spone za traktor MF
70 €Fiksno
298
2
pre 11 dana
Novo
Dostupno odmah
Opis oglasa
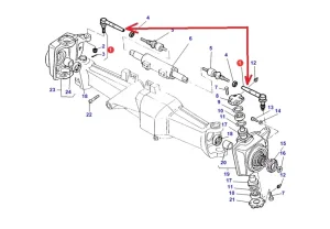
Kraj spone upravljača volana L &D, odgovara za sledeće modele traktora:
Massey Ferguson:
375, 383, 390, 393, 396, 365,
4225, 4235, 4240, 4243, 4245, 4253, 4255, 4260, 4263, 4265, 4270,
4325, 4335, 4345, 4355, 4360, 4365, 4370,
5425, 5435, 5445, 5455, 5460,
6110, 6120, 6130, 6140,
6235, 6245, 6255,
6445, 6455, 6460, 6470
Proizvođač GB Ricambi Italy, renomirani proizvođač delova za poljoprivredu.
https: //gbricambi. it/en/catalogues/
Moguće je poručivanje i za druge modele traktora!
Pogledajte naše ostale oglase.
https: //k2super-parts. kpizlog. rs/
Vaš partner na duge staze! ! !
K2 Super - Parts
06********